Comentarios:
Potencia
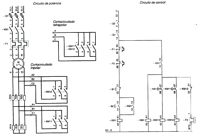
El arranque rotórico se realiza mediante una serie de bloques de resistencias conectadas en serie con los devanados del rotor, que se irán cortocircuitando para eliminarlas en cada uno de los pasos del arranque, hasta llegar al cortocircuito tripolar total del rotor. Se pueden realizar tantos pasos como sean necesarios para el arranque suave del motor, a estimar en cada caso según la dureza de la aplicación mecánica.
Control
El arranque se realiza mediante un pulsador de marcha (S2) que activa el relé auxiliar KA1 y se realimenta por el contacto 13-14 del contactor de línea (KM1) para no "caer" cuando soltemos el pulsador. El relé auxiliar a través de su contacto 13-14 accionará el contactor de línea y el motor comenzará a girar con todos los bloques de resistencias estatóricas en serie (primer tiempo). Transcurrido el tiempo del temporizador neumático a la conexión montado físicamente sobre el relé auxiliar KA1, el contactor KM11 cortocircuitará el primer bloque de resistencias (segundo tiempo) y éste inicia el temporizador neumático montado físicamente sobre él. Transcurrido el tiempo del segundo temporizador, el contactor KM12 cortocircuitará directamente el rotor, sin resistencias, pasando así el motor a régimen nominal (tercer tiempo). Opcionalmente, se puede montar un temporizador térmico (F2) para proteger las resistencias de arranques demasiado frecuentes o incompletos, parando todo el circuito si se calientan demasiado.
